پودمان 2: تابلو برق تأسیسات کارگاهی
نصب و تنظیم تابلوهای برق فشار ضعیف
دوازدهم
متوسطه دوم فنی
الکتروتکنیک
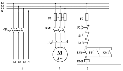
نام نقشه تابلوی برق زیر کدام یک است؟
مسیر جریان
2 )
مونتاژ
3 )
خارجی
4 )
ترمینال
تحلیل ویدئویی تست
منتظریم اولین نفر تحلیلش کنه!