گاما رو نصب کن!

{{ number }}
اعلان ها
اعلان جدیدی وجود ندارد!
کاربر جدید

جستجو

پربازدیدها: #{{ tag.title }}

میتونی لایو بذاری!

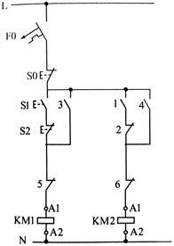
در مدار فرمان چپ‌گرد راست‌گرد شکل زیر به جای اعداد 1، 2، 3، 4، 5، 6 به ترتیب از راست به چپ چه باید نوشت؟

1 ) 

$KM1 - KM2 - KM2 - KM1 - S1 - S2$

2 ) 

$KM2 - KM1 - KM2 - KM1 - S1 - S2$

3 ) 

$KM1 - KM2 - S2 - S1 - KM2 - KM1$

4 ) 

$KM2 - KM1 - S1 - S2 - KM1 - KM2$

تحلیل ویدئویی تست

منتظریم اولین نفر تحلیلش کنه!