گاما رو نصب کن!

{{ number }}
اعلان ها
اعلان جدیدی وجود ندارد!
کاربر جدید

جستجو

پربازدیدها: #{{ tag.title }}

میتونی لایو بذاری!

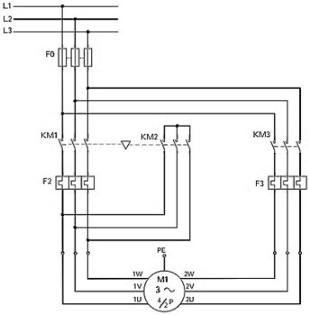
مدار قدرت راه اندازی یک موتور سه فاز در شکل زیر نشان داده شده است. برای سرعت کم و سرعت زیاد کدام کنتاکتورها جذب می‌­شود؟

1 ) 

2 ) 

3 ) 

4 ) 

پاسخ تشریحی :
نمایش پاسخ

مدار قدرت راه‌­اندازی موتور دالاندار به سه کنتاکتور نیاز دارد. / KM1 سرعت کند / KM2 ،KM3 سرعت تند

تحلیل ویدئویی تست

منتظریم اولین نفر تحلیلش کنه!