گاما رو نصب کن!

{{ number }}
اعلان ها
اعلان جدیدی وجود ندارد!
کاربر جدید

جستجو

پربازدیدها: #{{ tag.title }}

میتونی لایو بذاری!

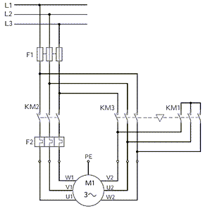
در مدار قدرت زیر جریان نامی کنتاکتورهای KM3 ،KM2 ،KM1 به ترتیب چند برابر جریان نامی موتور است؟

1 ) 

0/58 – 0/58 – 1

2 ) 

0/33 – 1 – 0/58

3 ) 

0/33 – 0/58 – 0/58

4 ) 

0/58 – 1 – 1

پاسخ تشریحی :
نمایش پاسخ

کنتاکتورهای KM2 و KM3 بر سر راه جریان فاز قرار گرفته بنابراین جریان نامی از آن‌ها عبور می‌­کند.

$\frac{1}{{\sqrt 3 }} = 0/58$

کنتاکتور KM1 نیز $\frac{1}{3}$ جریان یعنی 0/33 جریان نامی در حین کار از آن عبور می‌­کند.

تحلیل ویدئویی تست

منتظریم اولین نفر تحلیلش کنه!