گاما رو نصب کن!

{{ number }}
اعلان ها
اعلان جدیدی وجود ندارد!
کاربر جدید

جستجو

پربازدیدها: #{{ tag.title }}

میتونی لایو بذاری!

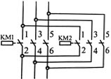
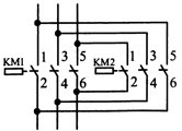
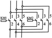
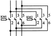
کدام‌یک از شکل‌­های زیر برای مدار قدرت تغییر جهت گردش موتور سه‌­فاز مناسب است؟

1 ) 

2 ) 

3 ) 

4 ) 

پاسخ تشریحی :
نمایش پاسخ

برای تغییر جهت گردش موتور باید جای دو فاز عوض شود.

تحلیل ویدئویی تست

منتظریم اولین نفر تحلیلش کنه!