گاما رو نصب کن!

{{ number }}
اعلان ها
اعلان جدیدی وجود ندارد!
کاربر جدید

جستجو

پربازدیدها: #{{ tag.title }}

میتونی لایو بذاری!

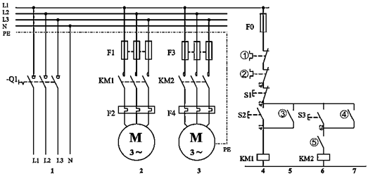
مدار فرمان و قدرت یکی پس از دیگری در شکل زیر نشان داده شده است. اعداد 1 الی 5 در مدار به ترتیب از راست به چپ کدام‌اند؟

1 ) 

$KM2 - KM1 - KM1 - F4 - F2$

2 ) 

$KM1 - KM2 - KM1 - F2 - F1$

3 ) 

$KM1 - KM2 - KM1 - F4 - F2$

4 ) 

$KM2 - KM1 - KM2 - F2 - F1$

تحلیل ویدئویی تست

منتظریم اولین نفر تحلیلش کنه!