گاما رو نصب کن!

{{ number }}
اعلان ها
اعلان جدیدی وجود ندارد!
کاربر جدید

جستجو

پربازدیدها: #{{ tag.title }}

میتونی لایو بذاری!

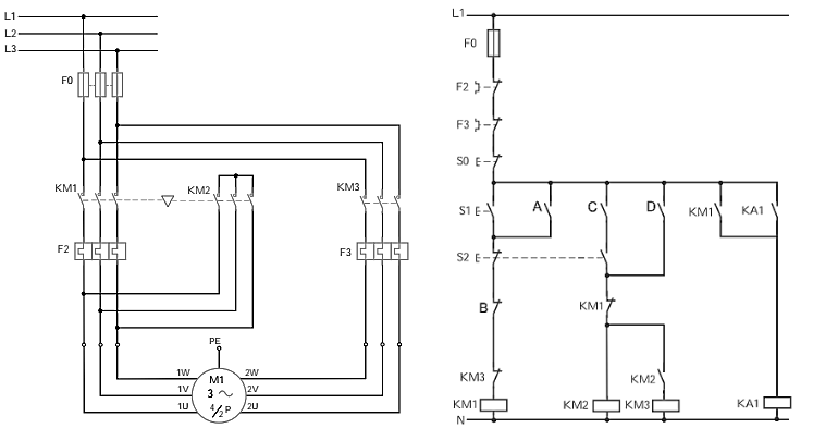
مدار قدرت و فرمان راه‌اندازی یک موتور الکتریکی در شکل زیر نشان داده شده است. C ،B ،A و D به‌ترتیب از راست به چپ کدام است؟

1 ) 

$KM2 - KM1 - KA1 - KM1$

2 ) 

$KM1 - KM1 - KM2 - KM3$

3 ) 

$KM1 - KM3 - KA1 - KM2$

4 ) 

$KM3 - KA1 - KM2 - KM1$

پاسخ تشریحی :
نمایش پاسخ

مدار فرمان و قدرت موتور دالاندر است.

تحلیل ویدئویی تست

منتظریم اولین نفر تحلیلش کنه!