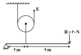
با استفاده از یک قرقره و یک اهرم، یک ماشین مرکب به شکل زیر ساختهایم. اندازه نیروی محرک (E) چند نیوتون باشد تا این ماشین مرکب در حالت تعادل باشد؟ (از کلیه اصطکاکها صرف نظر کنید)

1 )
60
90
3 )
120
4 )
180
گاما رو نصب کن!
جستجو
پربازدیدها: #{{ tag.title }}
به پاس اعتمادی که به گاما داشتی، ما اشتراک ویژهای رو برات فعال کردیم تا بدون هیچ نگرانی از محدودیت زمانی، از سرویسهای ویژه گاما استفاده کنی.
اگه به اطلاعات بیشتری نیاز داری راهنمای تغییرات جدید رو ببین.
از همراهیت با گاما سپاسگزاریم.
با تقدیم احترام
با سپاس! گزارش شما ثبت شد.
با استفاده از یک قرقره و یک اهرم، یک ماشین مرکب به شکل زیر ساختهایم. اندازه نیروی محرک (E) چند نیوتون باشد تا این ماشین مرکب در حالت تعادل باشد؟ (از کلیه اصطکاکها صرف نظر کنید)
1 )
60
90
3 )
120
4 )
180